T 기술기고문

90% 효율로 12V 입력의 1.0V/200A 코어 전원 구동하는 유연한 듀얼 출력 6위상 벅 컨트롤러

글: 마이크 쉬라이버(Mike Shriver) 선임 애플리케이션 엔지니어, 잉이 얀(Yingyi Yan) 선임 IC 설계 엔지니어 / 아나로그디바이스(Analog Devices, Inc.)
 
통신, 서버, 컴퓨팅 시스템에 사용되는 ASIC, FPGA, 프로세서는 12V에서 곧바로, 또는 중간 버스로부터 1V(혹은 그 이하)의 전압을 때로는 최대 200A가 넘는 부하 전류로 발생할 수 있는 코어 전원장치를 필요로 한다. 이들 전원장치는 또한 엄격한 효율과 성능 요건을 충족하고, PCB 풋프린트를 작게 해야 한다. 성능과 유연성이 뛰어난 6위상, 듀얼 출력, 벅 컨트롤러인 아나로그디바이스(ADI)의 LTC7852/LTC7852-1은 바로 이러한 요구를 충족하는 제품이다.
 
LTC7852/LTC7852-1은 높은 효율을 달성하도록 설계되었다. LTC7852는 내부 게이트 드라이버를 사용하는 것이 아니라, 각각의 위상이 전원 블록과 DrMOS, 또는 외부 게이트 드라이버와 디스크리트 MOSFET을 인터페이스하는 PWM 출력을 발생한다. DrMOS 디바이스는 게이트 드라이버와 MOSFET을 단일 패키지로 통합함으로써 전반적인 솔루션 크기를 작게 하고 고효율을 달성한다. 이들 디바이스는 통상 12V 입력 전압으로 설계된다. 외부 게이트 드라이버와 MOSFET은 우수한 열 성능을 달성하고 더 높은 입력 전압으로 동작할 수 있다. LTC7852는 sub-mΩ DCR 검출 아키텍처를 사용해서 0.2mΩ에 불과한 DCR 값으로 정확한 전류 검출을 할 수 있으므로 전도 손실을 크게 낮춘다. LTC7852-1은 자체적인 전류 검출 신호를 제공하는 DrMOS 디바이스와 함께 사용하도록 설계되었다.
 
각각의 출력은 차동으로 검출되며, 출력 범위는 0.5V ~ 2.0V이고, 총 레귤레이션 정확도는 ±0.5%이다. LTC7852와 LTC7852-1은 입력 전압이 아니라 외부 5V 전원을 사용해서 바이어스하므로, 이 IC에 따라서 컨버터의 입력 전압 범위가 제한되지 않는다. 스위칭 주파수 범위는 250kHz ~ 1.25MHz이고, 최소 온 시간이 40ns로 짧아 높은 스텝다운 비율을 실현할 수 있다.
 
PHCFG 핀을 사용해서 2개의 출력을 3+3, 4+2, 5+1의 위상 구성 중에서 선택할 수 있다. 3+3 구성의 경우, 2개 출력을 병렬로 연결해서 최대 부하 전류가 240A에 이르는 6위상 컨버터를 달성할 수 있다. 2개의 3위상 컨트롤러나 3개의 2위상 컨트롤러가 아니라 1개의 6위상 컨트롤러를 사용함으로써 디자인과 레이아웃을 크게 간소화할 수 있는 것이다. 이 컨트롤러를 2개 사용하면 최대 12위상 동작을 달성할 수 있다.
 
LTC7852는 5mm x 6mm GQFN 패키지로, LTC7852-1은 4mm x 5mm QFN 패키지로 제공된다.

6위상 고효율 코어 전원
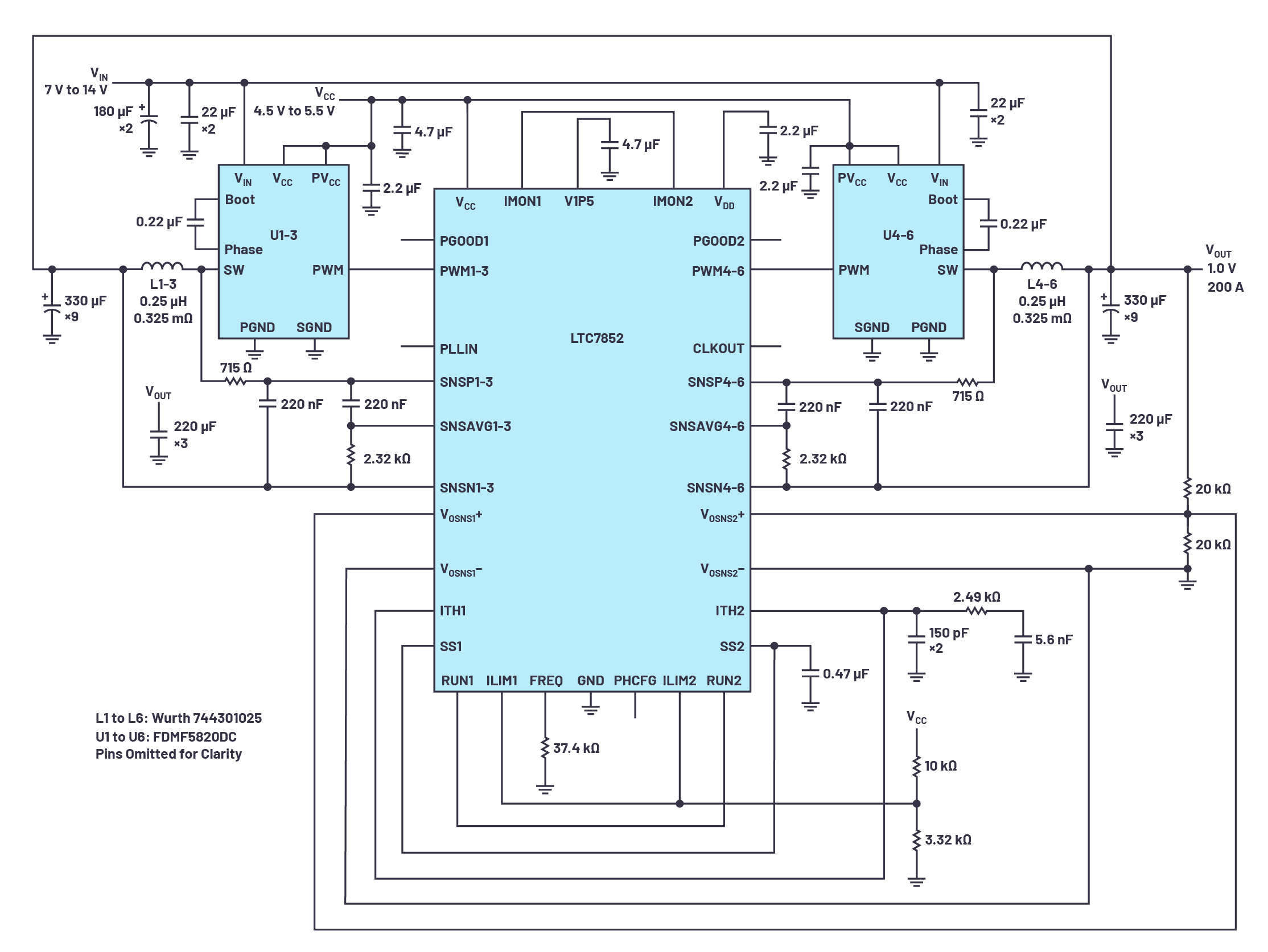
그림 1은 LTC7852를 사용한 6위상 1.0V/200A 컨버터를 보여준다. 이 컨버터는 400kHz 스위칭 주파수와 12V 입력으로 동작한다. 각 위상의 전원 스테이지는 5mm x 5mm 크기의 DrMOS와 정격 DCR이 0.325mΩ인 0.25mH 페라이트 인덕터로 이루어진다. 결과적인 총 부하 효율은 90.0%이다(그림 2). 풀 부하로 200LFM 에어플로우를 사용할 때 핫스팟의 온도는 상온에서 78°C이다(그림 3). 타이트한 전류 공유로 인해, 인덕터들 간에 온도 차이는 6°C 미만이다.
 

그림 1: 6위상 1.0V/200A LTC7852 컨버터와 FDMF5820DC DrMOS 함께 사용한 회로도. 스위칭 주파수(FSWITCH) = 400kHz.

ChartDescription automatically generated
그림 2: VIN = 7V, 10V, 12V, 14V 그림 1 회로의 효율 곡선
 
Graphical user interface, applicationDescription automatically generated
그림 3: VIN = 12V, 부하, 24°C 주변 온도, 200LFM 에어플로우일 그림 1 회로의 열화상

Sub-mΩ DCR 검출
LTC7852는 고유의 피크 전류 모드 sub-mΩ DCR 검출 아키텍처를 사용해서 전류 검출 신호의 신호대 잡음비를 향상시킨다. 인덕터 상의 DCR 검출 필터가 SNSPSNSN 핀에 증폭된 AC 신호를 제공한다. 일차 필터에 종속적으로 연결된 이차 필터가 SNSP 및 SNSAVG 핀으로 DC 신호를 제공한다. LTC7852가 DC 신호를 증폭하고 AC 신호와 합해서 신호를 복원한다. 복원된 신호는 원래 신호의 5배이다. 그러므로 0.2mΩ에 불과한 DCR 값으로 깨끗하고 안정적으로 동작할 수 있다.

출력 전류 모니터링과 과전류 보호
LTC7852의 IMON1 핀과 IMON2 핀은 해당 채널의 부하 전류에 비례하는 신호를 발생하고 V1P5 핀으로 참조된다. 이 신호는 전원장치 모니터링이나 ADC와 마이크로컨트롤러의 부하 감지에 사용된다.
 
사이클-대-사이클 전류 제한은 피크 전류 모드 아키텍처의 근본적인 이점이다. 히컵 모드 전류 제한이 추가적인 보호를 제공한다. 만약 과전류 결함이 32사이클 이상 동안 지속되면, 소프트 스타트 커패시터로 설정된 시간 길이 동안 컨버터가 스위칭을 중단한다. 이 간격이 종료되면 소프트 스타트와 함께 스위칭이 재개된다. 그림 4에서 보듯이, 결함 시에는 컨버터가 비교적 짧은 간격으로 스위칭한다. 그럼으로써 MOSFET이나 인덕터 상에서의 열 스트레스를 훨씬 낮춘다.
 
Graphical user interface, diagramDescription automatically generated
그림 4: 히컵 모드 과전류 보호와 복구

맺음말
LTC7852/LTC7852-1은 유연성이 뛰어난 고성능 6위상 듀얼 출력 벅 컨트롤러로서, DrMOS와 전원 블록, 또는 외부 게이트 드라이버와 MOSFET을 사용하는 고효율 고신뢰성 전원장치에 사용하기에 적합하다. Sub-mΩ 검출(LTC7852), 선택 가능한 위상 구성, 0.5V 레퍼런스로 ±0.5% 총 레귤레이션 정확도, 차동 출력 검출, 250kHz ~ 1.25MHz 스위칭 주파수 범위, 히컵 모드 전류 제한을 특징으로 한다.

저자 소개
마이크 쉬라이버(Mike Shriver)는 아나로그디바이스(Analog Devices)의 선임 애플리케이션 엔지니어이다. 리니어 테크놀로지(현 ADI)에서 17년 넘게 전원 애플리케이션과 관련해서 풍부한 경험을 쌓아왔다. 그 전에는 아테신 테크놀로지(Artesyn Technologies)와 베스트 파워 테크놀로지(Best Power Technology)에서 근무했다. 문의: michael.shriver@analog.com
 
잉이 얀(Yingyi Yan)은 캘리포니아주 산타클라라 소재 아나로그디바이스(Analog Devices)의 선임 IC 설계 엔지니어이다. 스위칭 컨버터와 통합형 전원 스테이지 제품의 연구개발을 맡고 있다. 2013년에 리니어 테크놀로지(현 ADI)에 전원 제품 애플리케이션 엔지니어로 입사했다. 2013년에 버지니아 공대의 전력 전자 시스템 연구소에서 박사학위를 취득했다. 문의: yingyi.yan@analog.com