T 기술기고문

충전과 데이터 회선 보호를 위한 자동차용 USB 2.0 및 5V Type-C 솔루션

글: 타오 타오(Tao Tao) 선임 애플리케이션 엔지니어, 트레버 크레인(Trevor Crane) 선임 설계 엔지니어 / 아나로그디바이스(Analog Devices, Inc.)

머리말
오늘날 자동차 인포테인먼트 시스템에서 USB 충전 포트는 필수 요소가 되었다. 사람들은 자동차의 전기 시스템을 사용해서 스마트폰이나 그 밖에 다른 휴대기기를 충전하거나 혹은 그 반대로 이러한 디바이스들을 사용해서 자동차 인포테인먼트나 엔터테인먼트 기능을 실행하는 것에 점점 더 익숙해지고 있다. 전원과 데이터 기능을 모두 지원하고 계속해서 빠르게 변화하는 휴대기기 시장을 따라잡기 위해서는 USB 충전 포트로 전원 공급, 데이터 전송, 견고성 등을 비롯한 다양한 시스템 요구를 충족해야 한다.
 
휴대 기기의 배터리 충전은 USB 충전 포트가 충족해야 하는 다양한 요건들 중 하나에 불과한 것으로서, 이를 위해서는 USB BC 1.2 CDP(charging downstream port), DCP(dedicated charging port), SDP(standard downstream port), 그 밖에 널리 사용되는 독자 프로파일을 비롯한 다양한 디바이스 충전 프로파일들을 지원해야 한다. 또한, 고속 USB 데이터 전송에서 신호 무결성을 유지하고 자동차 환경에서 흔히 발생하는 위험한 조건들로부터 USB 호스트를 보호해야 한다. 자동차용 전자장치들이 갈수록 복잡해지고 있기 때문에 작은 솔루션 크기와 낮은 전자기 방사 또한 중요한 요구사항이다.
 
이 글에서는 자동차 환경에서 이처럼 최신 USB 충전 포트에 요구되는 다양한 요건들을 충족하는 솔루션을 소개한다.

자동차 USB 전원 시스템 개요
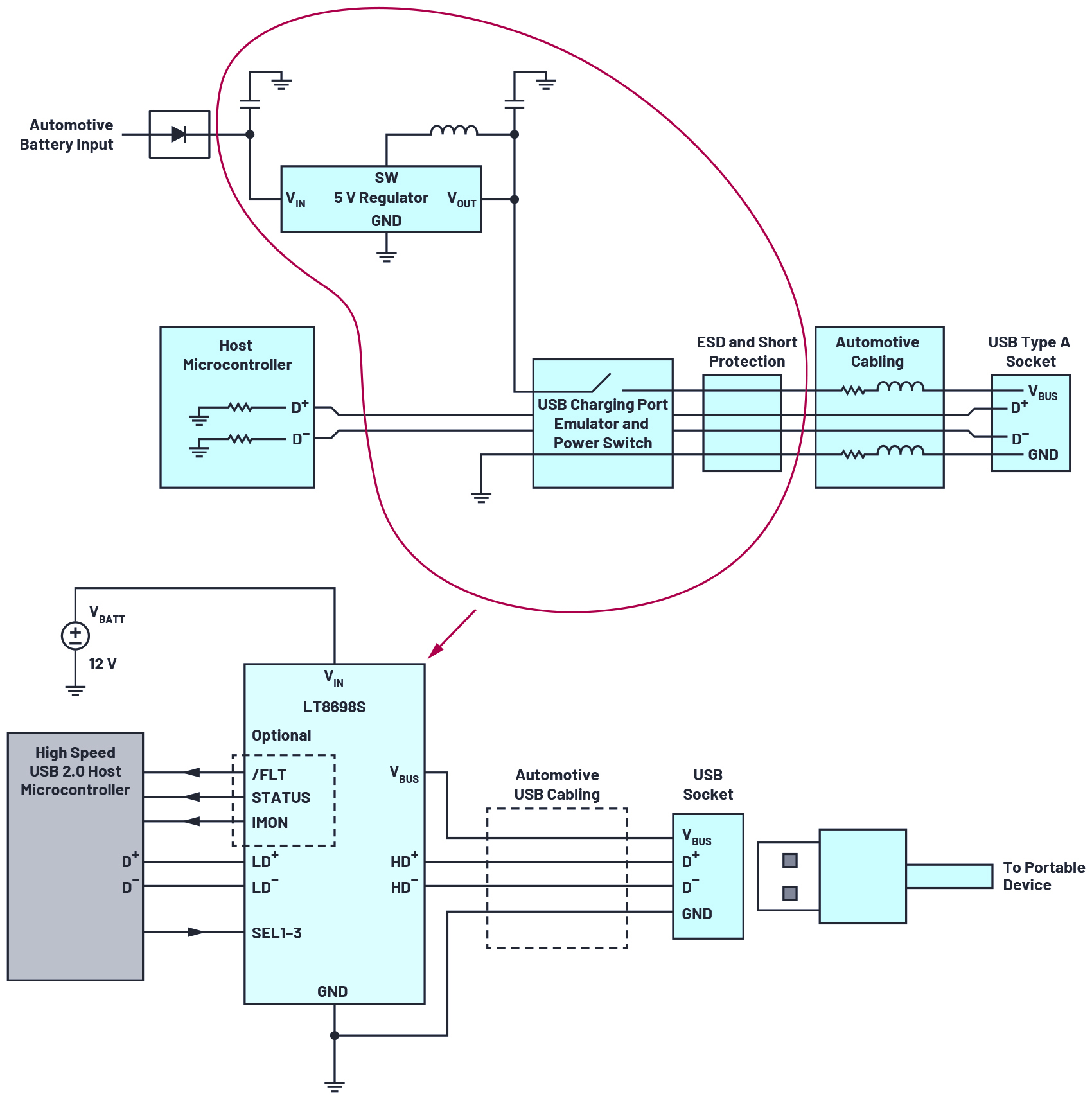
그림 1은 통상적인 자동차 USB 차저 시스템의 블록 다이어그램을 나타낸 것으로서, 스위칭 레귤레이터를 사용해 배터리로부터 5V를 발생시켜서 VBUS를 구동한다. 그림에서 보이는 USB 충전 포트 에뮬레이터와 전원 스위치 IC의 주된 기능은 크게 세 가지이다. 첫째, USB 충전 포트 에뮬레이터는 연결된 디바이스의 최적 충전 전류를 결정하고 USB BC 1.2 CDP, DCP, 그리고 제조사 고유의 차저 에뮬레이션 프로파일 같은 충전 포트 모드를 사용해서 고속 충전을 지원한다. 둘째, USB 전원 스위치는 전류 제한기와 스위치로 동작해서 버스 전류를 검출 및 제한한다. 셋째, 포트 컨트롤러는 연결된 디바이스와 USB 호스트 간의 USB 2.0 고속 데이터 전송을 지원한다.
 
USB 포트는 자동차의 열악한 환경에서 사용되므로, 소켓에서의 정전기 방전(ESD) 이벤트나 케이블 결함 같은 실제 위험 상황으로부터 민감한 USB 회로를 보호해야 한다. 이러한 상황이 발생하면 정상적인 동작 수준 이상의 전압이 가해질 수 있다.
 
DiagramDescription automatically generated
그림 1: 자동차 USB 차저 블록 다이어그램
 
그림 2는 여러 개의 전원, 포트, 보호 기능을 통합한 단일 IC를 사용함으로써 자동차 USB 전원 시스템을 간소화할 수 있다는 것을 보여준다. 여기에 사용된 LT8698S는 4mm x 6mm 패키지에 스위칭 레귤레이터와 전원 스위치를 통합하고 있으며, ESD 이벤트와 케이블 결함에 대해서 견고한 데이터 회선 보호 기능을 제공한다.
 
이 통합 차저 솔루션에는 USB 포트와 휴대 디바이스 간에 USB BC 1.2 CDP 협상 시퀀스를 수행하는데 필요한 모든 하드웨어가 포함되어 있으므로, CDP 호환 디바이스가 VBUS로부터 최대 1.5A의 전류를 인출하면서, 동시에 호스트와 고속으로 통신할 수 있다.

케이블 강하 보정
USB 소켓이 컨트롤러로부터 물리적으로 떨어져 있는 경우, 케이블 강하 보정을 통해서 VBUS 레일의 정확한 5V 레귤레이션을 유지할 수 있다. 예를 들어서 USB 소켓은 차량의 뒤쪽에, USB 호스트는 앞쪽 대시보드에 있을 수 있다. LT8698S는 케이블 강하 보정을 프로그램 할 수 있으므로 별도의 켈빈 검출 와이어를 사용할 필요 없이 USB 소켓에서 뛰어난 레귤레이션을 달성할 수 있다.
 
그림 3은 케이블 강하 보정이 어떻게 작동하는지를 보여준다. 레귤레이터 출력과 부하 사이에, OUT/ISP 핀과 BUS/ISN 핀 중간에 검출 저항 RSEN을 직렬로 연결한다. LT8698S가 RCBL 핀에서 RCBL 저항을 거쳐서 접지로 46 x (VOUT/ISP - VBUS/ISN)/RCBL의 전류 소스 값을 구축한다. 이 전류는 레귤레이터 출력과 USB5V 핀 사이에 연결된 RCDC 저항을 통해서 USB5V 핀으로 흐르는 전류와 동일하다. 이렇게 해서 5V USB5V 피드백 핀보다 높고 RCDC/RCBL 저항 비에 비례하는 전압 오프셋을 RCDC 저항에 발생시킨다. 그럼으로써 LT8698S가 BUS/ISN 핀을 부하 전류에 비례해서 부하 측에서 목표로 하는 5V(최대 6.05V까지로 제한)보다 높은 수준으로 레귤레이트 함으로써 소켓의 VBUS 핀으로 정확한 레귤레이션을 유지한다.
 
케이블 강하 보정을 하면 레귤레이터에서부터 멀리 떨어져 있는 부하까지 추가적인 켈빈 검출 와이어 쌍을 연결할 필요가 없어진다. 다만 시스템 설계자는 케이블 저항 RCABLE을 알아야 한다. LT8698S가 이 값을 검출하지는 않는다. 케이블 강하 보정을 프로그램하기 위한 부품들은 공식 RCBL = 46 x RSEN x RCDC/RCABLE 공식을 사용해서 선택할 수 있다. 케이블 저항은 온도에 따라서 달라지므로, 넓은 온도 범위에 걸쳐서 우수한 출력 전압 정확도를 달성하기 위해서는 RCBL의 일부로서 네거티브 온도 계수(NTC) 저항을 추가해서 케이블 강하 보정을 온도에 따라서 달라지도록 만들 수 있다.
 
Diagram, schematicDescription automatically generated
그림 2: 단일 IC USB 컨트롤러를 사용한 자동차 USB 전원 시스템의 간단한 블록 다이어그램
 
 
Diagram, schematicDescription automatically generated
그림 3: 케이블 강하 보정의 작동 원리
 
Diagram, schematicDescription automatically generated
그림 4: LT8698S/LT8698S-1 견고한 보호 기능들

자동차 환경을 위한 견고한 보호 기능 구현
자동차 환경에서 발생하는 여러 위험한 상황들로부터 USB 호스트를 보호해야 한다. 예를 들어서 케이블 결함이 발생해서 데이터 회선에 배터리 전압이나 접지 수준의 전압이 가해질 수 있으며, USB 소켓에서 높은 ESD 스트라이크가 발생할 수 있다. 그림 4는 USB 호스트를 이러한 위협들로부터 어떻게 보호하는지 보여준다.
 
LT8698S의 HD+ 및 HD- 핀은 최대 20VDC를 견디고, IEC 61000-4-2에서 정의하고 있는 8kV 접촉 방전 및 15kV 공기 방전 이벤트를 차단하며, 호스트를 이러한 심각한 조건들로부터 보호한다. USB5V, OUT/ISP, BUS/ISN 핀은 DC ~ 42V까지의 출력 전압 결함을 견딜 수 있다. 출력 결함 발생 시에는 래치 오프 및 자동 재시작 기능이 평균 출력 전류를 정확하게 제한한다.
 
많은 USB 포트 컨트롤러 IC들이 데이터 회선 상에서 ESD 보호를 위해서 외부 클램프 다이오드나 커패시터를 필요로 하므로 비용과 부품 수를 늘릴 뿐만 아니라 신호 무결성을 떨어트릴 수 있다. 하지만 LT8698S는 그렇지 않다.
 
앞서 언급했듯이 데이터 회선 스위치들이 DC 결함과 ESD 이벤트를 견디면서도 뛰어난 신호 무결성을 달성한다. 특히 HD+ 및 HD- 핀의 -3dB 대역폭이 480MHz(정격)에 이른다. 그림 5는 데모 보드로 USB 2.0 규격에 따라서 테스트 플레인 2로 측정한 고속 전송 아이 패턴을 보여준다. 이 다이어그램을 보면 USB 템플릿 1, 테스트 플레인 2 제한을 매우 여유 있게 충족한다는 것을 알 수 있다.
 
A picture containing chartDescription automatically generated
그림 5: 데모 보드로 측정한 고속 USB 2.0 아이 다이어그램. 템플릿 1 요건을 표시하고 있다.

다양한 충전 프로파일 지원
이 컨트롤러 IC는 표 1에서 보는 것과 같이 여러 종류의 USB 커넥터 타입 및 충전 프로파일을 지원한다. 이 컨트롤러 IC를 사용해서 USB Type-C 5V 3A 솔루션(15W)을 구현할 수 있다.
 
그림 6은 케이블 강하 보정을 사용한 USB 5V 3A VBUS 레귤레이터를 보여준다. 이 회로는 최대 3A 전류를 지원하기 위해서 8mW의 RSEN 저항 값을 선택하고 SYNC/MODE 핀을 접지로 연결함으로써 펄스 스킵핑 동작 모드가 가능하다. 그럼으로써 경부하 전류 시에 스위칭 주파수를 낮추고 대기 전류를 줄인다.
 
LT8698S는 USB BC 1.2 DCP 모드도 지원할 수 있다. 이 모드는 고전류 충전을 위해서 최대 1.5A의 충전 전류를 공급할 수 있다. DCP 포트로 사용할 때는 D+ 및 D- 라인을 단락시키고 데이터 전송은 하지 않는다. 많은 휴대 기기 제조사들이 독자적인 충전 프로토콜을 사용하므로 이러한 독자 충전 프로파일과 2.0A, 2.4A, 2.1A, 1.0A 같은 최대 충전 전류 또한 지원한다. 호스트 마이크로컨트롤러가 3개의 SEL 핀들을 제어해서 이러한 충전 프로파일들을 구현한다.
 
그림 7은 2.4A/1.5A USB 차저 회로를 보여준다. 이 애플리케이션은 마이크로컨트롤러가 LT8698S의 STATUS 핀과 IMON 전류 모니터링 기능이 제공하는 정보를 사용해서 SEL1-3 입력 핀들을 제어해서 원하는 충전 프로파일을 선택한다. 이러한 방식으로 마이크로컨트롤러가 휴대 기기에 따라서 충전 프로파일을 최적화하고, 되도록 가장 높은 전류로 안전하게 충전한다.
 
1: LT8698S/LT8698S-1 다양한 USB 커넥터 타입과 충전 프로파일, 데이터 인터페이스를 지원한다.
 
 
 
 
USB 2.0 Type-A USB 3.x Type-A USB Type-C
핀: VBUS, GND, D+, D- 핀: VBUS, GND, D+, D- 핀: VBUS, GND, D+, D-
전원: 5 V, 1.5 A, BC 1.2
5 V, 2.4 A, 애플 iPad
전원: 5 V, 1.5 A, BC 1.2 전원: 5 V, 1.5 A, BC 1.2
5 V, 3 A, type-C
데이터: USB 2.0, 480 Mbps 데이터: USB 2.0, 480 Mbps 데이터: USB 2.0, 480 Mbps
 
 
Diagram, schematicDescription automatically generated
그림 6: 5V 3A USB Type-C 애플리케이션
 
 
Diagram, schematicDescription automatically generated
그림 7: 전류 모니터링 기능을 지원하는 2.4A/1.5A 자동 프로파일 탐지 충전 시스템

EMI 솔루션
낮은 EMI는 자동차용 전자 시스템에 사용되는 전원장치에서 매우 중요하게 요구되는 특성이다. 자동차용 전자 시스템은 EMI와 관련해서 CISPR 25 Class 5 방사 요건을 충족해야 한다. LT8698S는 사일런트 스위처 2(Silent Switcher® 2) 기술을 채택함으로써, USB 전원장치가 솔루션 크기, 효율, 견고성을 희생하지 않고서 이 같이 엄격한 자동차 EMI 요건을 충족할 수 있게 해준다.
 
사일런트 스위처 2 아키텍처는 EMI를 최소화하기 위해 LQFN 패키지 내부에 바이패스 커패시터를 포함한다. 이처럼 바이패스 커패시터를 통합함으로써 보드 설계를 간소화하고 전반적인 솔루션 풋프린트를 줄일 뿐만 아니라 PCB 레이아웃이 EMI 성능에 미치는 영향을 최소화한다. LT8698S-1은 이러한 내부 바이패스 커패시터 통합만 다르고 나머지는 LT8698S와 동일하다. 또한 두 디바이스 모두 SYNC/MODE 핀에 3.0V 이상의 DC 전압을 인가함으로써 대역확산 주파수 변조 기능을 선택할 수 있다. 그림 8은 통상적인 애플리케이션 조건일 때 LT8698S의 복사 EMI 성능을 보여준다.
 
또한 LT8698S와 LT8698S-1은 300kHz ~ 3MHz의 범위에서 스위칭 주파수를 프로그램 및 동기화할 수 있다. 높은 스위칭 주파수를 사용하면 인덕터와 커패시터 값을 작게 함으로써 총 솔루션 크기를 작게 할 수 있다. 그림 9는 이 12V - 5V USB 솔루션이 2MHz의 비교적 높은 스위칭 주파수에서 93% 효율을 달성한다는 것을 알 수 있다.
 
Chart, line chartDescription automatically generated
그림 8: 복사 EMI 성능(피크 검출기를 사용한 CISPR 25 복사 방사 성능과 Class 5 피크 한계)
 
 
Chart, line chartDescription automatically generated
그림 9: 5V USB 솔루션의 효율과 전력 손실 곡선

맺음말
USB 충전 포트는 오늘날 자동차 인포테인먼트 시스템의 필수 요소로서 열악한 자동화 환경에서 충전, 데이터 전송, 견고한 보호성 같은 다양한 요구들을 충족해야 한다. 이 글에서는 LT8698S USB 차저 IC를 사용해서 이러한 요구들을 충족할 수 있다는 것을 살펴보았다. LT8698S는 다양한 휴대 기기용 충전 프로파일을 지원하고 USB Type-C 충전 애플리케이션에 최대 15W의 출력 전력을 제공할 수 있다. 또한 USB 호스트를 케이블 결함이나 심각한 ESD 이벤트 같은 위험한 조건들로부터 보호한다. 그러면서도 USB 호스트와 휴대 기기 간 고속 USB 데이터 전송에 필요한 신호 무결성을 유지한다. 또한 사일런트 스위처 2 아키텍처를 채택해서 효율과 솔루션 크기를 희생하지 않고서 뛰어난 EMI 성능을 달성한다.

저자 소개
타오 타오(Tao Tao)는 아나로그디바이스(캘리포니아주 산타클라라)의 전력 제품 담당 선임 애플리케이션 엔지니어이다. 스텝다운 스위칭 레귤레이터 IC의 애플리케이션 지원을 맡고 있다. 그 전에는 인터실에서 전원 모듈 개발 업무를 담당했다. 고효율, 고밀도 전원 컨버터 및 레귤레이터, 전원 컨버터 모델링 및 제어, EMI 완화 기법, 전자 패키징 기술, PCB 보드 설계, 그 밖에 다른 기술적 과제들과 관련하여 풍부한 경험을 쌓고 있다. 버지니아 공과대학에서 전기공학 석사학위를 취득했다. 문의: tao.tao@analog.com
 
트레버 크레인(Trevor Crane)은 ADI의 선임 설계 엔지니어이다. 현재 ADI의 전원 사업부(캘리포니아주 그래스밸리)에서 다채널 벅 레귤레이터 설계를 맡고 있다. 2004년에 스탠포드 대학에서 전기공학 학사학위를 받았다. 리니어 테크놀로지에서 제품 엔지니어 및 설계 엔지니어로서 디스크리트 전원 제품을 담당했다. 그는 3개의 자동차용 USB 벅 레귤레이터를 출시했다. 문의: trevor.crane@analog.com